咨询热线
0757-82255905不锈钢就是在空气中或化学腐蚀介质中能够抵抗腐蚀、有较高稳定性的一种高合金钢,其耐腐蚀性能好、具有美观光洁的表面,不必经过镀色等表面处理,而发挥其所固有的表面性能。从金相学角度分析,因为不锈钢精密管含有较高的铬,铬在表面形成很薄的铬膜,这个膜隔离开侵入钢内的氧气,从而起耐腐蚀的作用。为了保持钢管所固有的耐腐蚀性,钢必须含有12%以上的铬(GB/T 20878),对不锈钢精密管检测,下面我们来探析。

一、检测分类
1、以化学成分分类:Cr系不锈钢;Cr-Ni系不锈钢;Cr-Ni-Mo系不锈钢;Cr-Mn-Ni系不锈钢等。
2、以金相组织的分类:奥氏体不锈钢(200系、300系);铁素体不锈钢 (430、446等);马氏体不锈钢 (410系、420系以及440C系);双相不锈钢 (Cr18、Cr23、Cr22和Cr25 );沉淀硬化不锈钢。
二、金相检验
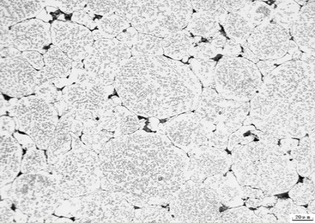
1、试样的制备
不锈钢精密管金相试样的制备过程和高合金钢基本相同。其中奥氏体不锈钢基体组织较软,韧性较高和易产生加工硬化,试样制备难度较高,在抛磨过程中易产生机械滑移以及扰乱金属层组织等假象而影响正常的金相组织分析和检验。半马氏体钢制样不当则会使奥氏体转变成马氏体,所以制备试样不应使试样产生高热。磨光用力不应过大,抛光时间不宜过长。

2、化学侵蚀
精密不锈钢管具有较高的耐腐蚀性能,所以显示其显微组织的侵蚀剂必须有强烈的侵蚀性,才能使组织清晰的显现出来。应根据钢的成分和热处理状态选择合适的侵蚀剂。
常用的侵蚀剂有:
(1)氯化高铁5g+盐酸50ml+水10ml;(适用于奥氏体型钢以及奥氏体-铁素体型双相钢)
(2)盐酸10ml+硝酸10ml+酒精100ml;
(3)苦味酸4g+盐酸5ml+酒精100ml;(较难腐蚀试样可以进行水浴加热)
(4)氢氟酸酸(5%)1ml+硝酸(5%)4ml+水45ml;
此外,不锈钢制品管中可能还会同时出现铁素体、奥氏体、碳化物、δ铁素体、σ相等,可以通过化学侵蚀的方法予以区别,在形态上,奥氏体组织有孪晶,铁素体常呈带状或枝晶状;用赤血盐氢氧化钾溶液(赤血10g-15g+NaOH10g-30g+水100mL,热煮60-90℃)侵蚀后铁素体呈玫瑰色,奥氏体呈光亮色,用碱性高锰酸钾侵蚀后,碳化物为浅棕色,σ相橘红色。
三、常用检测标准
1、非金属夹杂物:GB/T 10561、ASTM E45
2、晶粒度:GB/T 6394 、ASTM E112
3、F含量:GB/T 13305-2008
4、F-A双相不锈钢中σ脆性相的析出检验:ASTM A923 ,其他:GB/4234-2003
以上就是不锈钢精密管的金相检验内容了,我们想要真正了解不锈钢焊管的耐腐蚀性能,必须通过了解材料的金相组织,针对性的选择对材料有强烈腐蚀性能的侵蚀剂,才能真正的体现出不锈钢精密管的耐腐蚀性能。

版权所有© 一木久道综合热线 粤ICP备19066789号-1
电话:0757-82255905 手机:139-2315-7588 联系人:陈先生
传真: QQ:435562665 邮箱:[email protected]
地址:佛山市三水区西南街道洲边五村进港大道侧和坑1号2座
