咨询热线
0757-82255905在实际生产中,由于不锈钢材质本身的特殊性,如果掌握不了不锈钢制品管的特性,在切削过程中不仅得不到理想的加工质量,而且还会大量损失刀具。下面,佛山罡正不锈钢带你了解影响不锈钢制品管可切削性的因素。
1、材质韧性高
虽然不锈钢制品管的单项机械性能(如抗拉强度)不高,但其综合机械性能却很高,这是影响其可切削性的主要因素之一。在金属材料的切削过程中,切屑的切除主要经过挤压—塑性变形—断裂等阶段。但由于不锈钢精密管的延伸率、收缩率和冲击值均较高,其切屑的形成过程不易按照上述阶段顺序进行。
因此,要实现切屑高效切除就必须消耗更多的能量,如切除相同体积的奥氏体不锈钢切屑所消耗的能量要比常规的低碳钢高出约60%。管材切削过程中所消耗的能量大部分以热能的形式消耗,进一步软化了切屑,表现出高韧性和难断屑的特点。
2、高温机械性能强
通常常规钢管在切削温度载荷作用下,切屑根部的强度和硬度会随温度的上升而显著下降,使切屑容易被切除。然而,优异的高温硬度和高温强度是不锈钢管的另一个特性,如奥氏体类不锈钢在800℃条件下机械性能仍没有降低,所以切屑不易被刀具切除,易引起刀具崩刃或磨损(见图1)。
3、粘性大
由于不锈钢精密管的高温韧性大,又富含Cr、Ni等亲铁元素,对含Co元素的硬质合金刀具的亲和性强。因此,切削过程中工件—刀具—切屑接触面存在很高的机械、温度、速度载荷,在一定热—力耦合的作用下易产生刀—屑粘结现象(见图2)。
4、导热性差
由于元素种类的特殊性,不锈钢焊管的导热能力较差。与45号优质碳素钢对比,马氏体和铁素体不锈钢的导热性只有它的45%左右,奥氏体不锈钢更是只有它的28%。因此,切削过程中在刀—屑区域易形成大量的热堆积,从而引起刀具材料的软化而加速其失效。
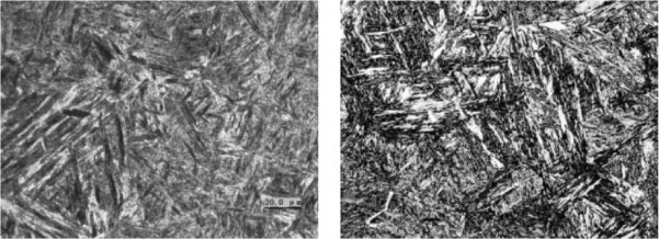
5、硬质点多
奥氏体不锈钢00Cr20Ni25M经过淬火处理后,其结晶颗粒约为5级(见左图)。金相组织是奥氏体和铁素体,并有部分TiC颗粒。马氏体不锈钢3Cr13金相组织为珠光体,调质处理后材质中的金相为马氏体与珠光体,并有部分碳化物(见右图)。碳化物的硬度较高,切削过程中易引起刀具的崩刃。
6、加工硬化
精密不锈钢管切削过程中,切削区域发生塑性变形,材质中结晶颗粒发生滑移,硬度显著上升,这就是加工硬化现象。因此,在前一道工序产生的加工硬化会增加后续进一步切削的难度,硬化层的存在更容易引起刀具破损。
针对不锈钢制品管的切削特点,欲实现对其高品质加工应改善其可切削性。通常有以下两种途径:
(1)采用适当的热处理方式或改变工件材质成分来提高其可切削性能;
(2)采用改善切削条件的方式,使切削加工容易进行。例如,采用合适的刀具构型、刀具材质、冷却液以及机床等。
以上就是影响不锈钢制品管可切削性的因素了。影响的因素有材质韧性高、高温机械性能强、粘性大、导热性差、硬质点多、加工硬化。因此,不锈钢制品管在进行切削加工时,需要采取措施解决这些问题。

版权所有© 一木久道综合热线 粤ICP备19066789号-1
电话:0757-82255905 手机:139-2315-7588 联系人:陈先生
传真: QQ:435562665 邮箱:[email protected]
地址:佛山市三水区西南街道洲边五村进港大道侧和坑1号2座
